Мотор-редуктор червячный TRANSTECNO серии CM090

 

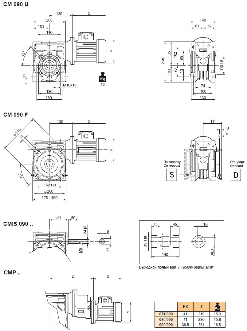
Мотор-редуктор червячный одноступенчатый серии CM090 служит для передачи угловой скорости вращения от двигателя к исполнительному устройству. Редуктор имеет полый вал диаметром 35 мм. В качестве опций с мотор-редуктором поставляются валы, фланцы и реактивные штанги.

Назад

Мотор-редуктор CM090

Назад

 
© 2014 Редукторы, мотор-редукторы, устройства плавного пуска, преобразователи частоты